PRO консультанты
Профессиональный подбор оборудования и аксессуаров
Большой ассортимент
Клинингового оборудования, аксессуаров и запчастей
Сервисная служба
Сервис и обслуживание по всей России
Доставка по России
Доставляем по России - оперативно в любую точку
Описание
Отзывы
Описание
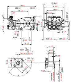
Насос высокого давления TOR BF-7102 аналог INTERPUMP 47 SERIES WS102. Без регулятора давления. Механизм насоса - кривошипный. Материал поршневых втулок - износостойкая керамика. Проточная часть ("голова") выполнена из кованой латуни.
Фабричный Китай высокого качества!
Комплектация
- Насос высокого давления
- Крышка маслозаливной горловины
- Крепежный набор
Характеристики
Общие хар-ки
Бренд
Страна бренда
Китай
Гарантия
1 год
Тип насоса
плунжерный
Габариты, ДхШхВ
30 × 20 × 15 см
Вес
14.5 кг
Материал
латунь
Диаметр вала насоса
24 мм
Технические хар-ки
Тип привода насоса
без привода
Рабочее давление (бар)
180
Частота вращения вала (об/мин)
1450
Поток воды (л/час)
1260
Максимальная температура воды на входе (С°)
50
Мощность привода
7.5 кВт
Тип вала насоса
внешний гладкий
Сторона выхода вала
правый
D отв. фланца насоса
87 мм
Встроенный регулятор
нет
Подключение (вход)
1/2" внутр
Подключение (выход)
3/8" внутр
Отзывов ещё нет — ваш может стать первым.
Все отзывы 0
Подборки товаров в категории















