PRO консультанты
Профессиональный подбор оборудования и аксессуаров
Большой ассортимент
Клинингового оборудования, аксессуаров и запчастей
Сервисная служба
Сервис и обслуживание по всей России
Доставка по России
Доставляем по России - оперативно в любую точку
Описание
Отзывы
Описание
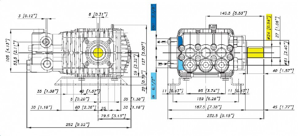
Плунжерный насос высокого давления с кривошипной передачей Bertolini TML 2420-HW. Номинальное давление 150 бар, расход воды 24,1 л/мин, частота вращения вала 1450 об/мин. Гладкий вал 24мм, шпонка.
Характеристики
Бренд
Bertolini
Страна бренда
Италия
Гарантия
1 год
Тип насоса
плунжерный
Рабочее давление (бар)
150
Поток воды (л/час)
1446
Максимальная температура воды на входе (С°)
85
Мощность привода
7.1 кВт
Частота вращения вала (об/мин)
1450
Спец. особенности насоса
для высоких температур
Тип вала насоса
внешний гладкий
Диаметр вала насоса
24 мм
Сторона выхода вала
правый
Встроенный регулятор
нет
Подключение (вход)
1/2" внутр
Подключение (выход)
3/8" внутр
Габариты, ДхШхВ
252 × 233 × 127 мм
Вес
10 кг
Отзывов ещё нет — ваш может стать первым.
Все отзывы 0
Подборки товаров в категории




















