Москва
telegram
Москва, Дорожная, д.3, к.3, стр.6а
Каталог
Насос высокого давления Bertolini CX 170 P (550об/мин) (741003973)

Насос высокого давления Bertolini CX 170 P (550об/мин) (741003973)

Бренд
Страна бренда
Гарантия
Тип насоса
Склад:
Нет в наличии
209 060
11
Сообщить о поступлении
Сообщить о поступлении товара
Ваша просьба принята!

Вы получите уведомление о поступлении товара в продажу на указанные Вами контакты
Ваш E-Mail
Актуальность
- обязательно к заполнению
Проверка...
PRO консультанты
Профессиональный подбор оборудования и аксессуаров
Большой ассортимент
Клинингового оборудования, аксессуаров и запчастей
Сервисная служба
Сервис и обслуживание по всей России
Доставка по России
Доставляем по России - оперативно в любую точку
Описание
Отзывы
Описание

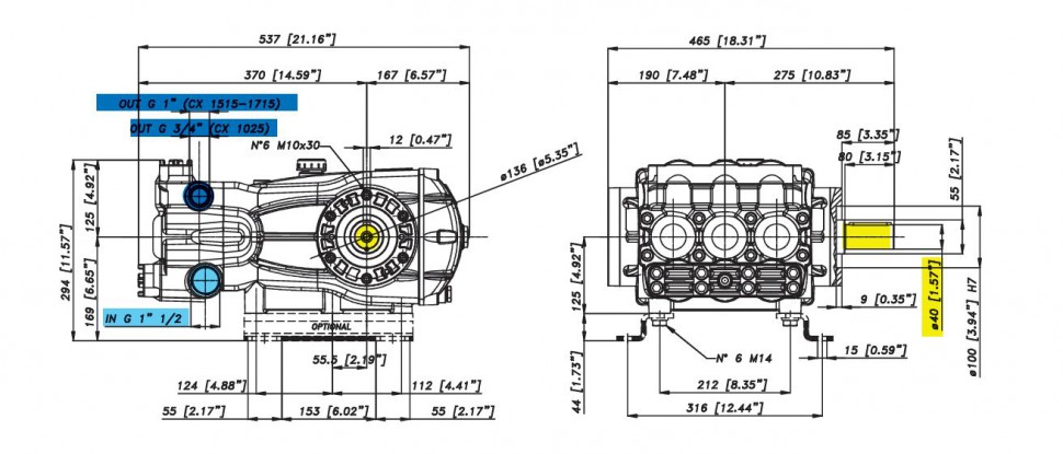
Плунжерный насос высокого давления с кривошипной передачей Bertolini CX 170 P. Номинальное давление 70 бар, расход воды 160 л/мин, частота вращения вала 550 об/мин. Шлицевой вал 1 3/8" с двух сторон.

Комплектация
Характеристики
Общие хар-ки
Бренд
Страна бренда
Гарантия
Тип насоса
Габариты, ДхШхВ
Вес
Диаметр вала насоса
Технические хар-ки
Рабочее давление (бар)
Частота вращения вала (об/мин)
Поток воды (л/час)
Максимальная температура воды на входе (С°)
Мощность привода
Тип вала насоса
Сторона выхода вала
Встроенный регулятор
Подключение (вход)
Подключение (выход)
Отзывов ещё нет — ваш может стать первым.
Все отзывы 0
0.0 / 5