Москва
telegram
Москва, Дорожная, д.3, к.3, стр.6а
Каталог
Насос высокого давления Bertolini CK 220 PP (550об/мин) (767319973)

Насос высокого давления Bertolini CK 220 PP (550об/мин) (767319973)

Бренд
Страна бренда
Гарантия
Тип насоса
Склад:
Нет в наличии
273 050
11
Сообщить о поступлении
Сообщить о поступлении товара
Ваша просьба принята!

Вы получите уведомление о поступлении товара в продажу на указанные Вами контакты
Ваш E-Mail
Актуальность
- обязательно к заполнению
Проверка...
PRO консультанты
Профессиональный подбор оборудования и аксессуаров
Большой ассортимент
Клинингового оборудования, аксессуаров и запчастей
Сервисная служба
Сервис и обслуживание по всей России
Доставка по России
Доставляем по России - оперативно в любую точку
Описание
Отзывы
Описание

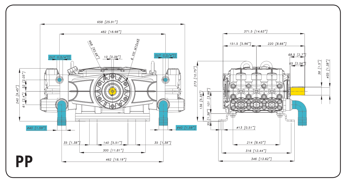
Плунжерный насос высокого давления Bertolini CK 220 PР используется для перекачивания чистой, пресной воды с рекомендуемой температурой не выше 60°, допускается смешивание с небольшим количеством чистящих средств. Имеет кривошипно-шатунный принцип действия механизма, три керамических плунжера и головка из латунного сплава обеспечивают максимальную эффективность при минимальном обслуживании.

Особенности:

  • Самосмазывающиеся уплотнители.
  • Полированные твердые керамические плунжера.
  • Клапаны выполнены из нержавеющей стали и термопластика.
  • Латунная головка с высокой стойкостью к механическим нагрузкам.
  • Корпус отлит под давлением из алюминия с высоким контролем качества.
  • Шток плунжера изготовлен из нержавеющей стали.
  • Увеличенное окно для контроля уровня масла.
  • Роликовый подшипник большого размера.
  • Цельный, усиленный алюминиевый шатун, обладает повышенной прочностью.
Характеристики
Общие хар-ки
Бренд
Страна бренда
Гарантия
Тип насоса
Вес
Материал
Диаметр вала насоса
Технические хар-ки
Рабочее давление (бар)
Частота вращения вала (об/мин)
Поток воды (л/час)
Максимальная температура воды на входе (С°)
Мощность привода
Тип вала насоса
Сторона выхода вала
Встроенный регулятор
Подключение (вход)
Подключение (выход)
Вязкость масла (SAE)
Объем масляной системы
Отзывов ещё нет — ваш может стать первым.
Все отзывы 0
0.0 / 5