PRO консультанты
Профессиональный подбор оборудования и аксессуаров
Большой ассортимент
Клинингового оборудования, аксессуаров и запчастей
Сервисная служба
Сервис и обслуживание по всей России
Доставка по России
Доставляем по России - оперативно в любую точку
Описание
Отзывы
Описание
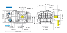
Помпа без регулятора, 14.7 кВт IPG W5015 W05015-000 используется с мойками высокого давления для корректной работы аппаратов.
Механизм насоса - кривошипный. Материал поршней - керамика. Проточная часть (голова) выполнена из кованой латуни.
Полная замена насосного узла целесообразна в случае разрушения редукторного узла или иных ЗНАЧИТЕЛЬНЫХ неполадок помпы.
Комплектация
- Насос высокого давления
- Крышка маслозаливной горловины
- Крепежный набор
Характеристики
Бренд
Interpump
Страна бренда
Италия
Гарантия
1 год
Тип насоса
плунжерный
Рабочее давление (бар)
500
Поток воды (л/час)
900
Максимальная температура воды на входе (С°)
50
Тип привода насоса
без привода
Мощность привода
14.7 кВт
Частота вращения вала (об/мин)
1450
Спец. особенности насоса
сверхвысокое давление
Тип вала насоса
внешний гладкий
Диаметр вала насоса
24 мм
Сторона выхода вала
правый
Встроенный регулятор
нет
Подключение (вход)
1/2" внеш
Подключение (выход)
3/8" внеш
Габариты, ДхШхВ
350 × 244 × 159 мм
Вес
19.5 кг
Отзывов ещё нет — ваш может стать первым.
Все отзывы 0
Подборки товаров в категории
















